Arduino勉強会

2014/12/21からのアクセス回数 6733

ブレッドボードを組み立てる

7セグメントLEDをつないでみましょう。

必要な部品は、以下の通りです。

部品が揃ったら、以下の様につないで下さい。

7SegmentLED_brd.png

7セグメントのピン配置

7セグメントのピンの配置 *1 は、以下の様になっています。

C-551SR_pin.png

C-551SRは、以下の様にカソードを共通とするタイプです。

C551X.png

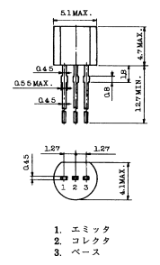
2SC1815のピン配置

トランジスターは、7セグメントLEDをArduinoで駆動するための電流を供給するのと、 出力タイミングを制御するために使用します。 使用するトランジスターはよく使われる2SC1815です。

2SC1815のデータシートで、ピンの設定を確認します。下の図は、下から見たピンの位置です。

2SC1815_pin.png

セレクターとベース間の抵抗は、7セグメントLEDの各LEDに10mAを供給すると70mAが必要となりので、

$$ ベース電流 = \frac{5V - 0.6V}{4.7KΩ} = 0.9mA $$

これから増幅率hf = 100として、以下の関係から90mAと十分な電流を供給できます。

$$ コレクター電流 = ベース電流*hf = 0.9 \times 100 = 90mA $$

スケッチで動作確認

できたブレッドボードの回路を以下のスケッチで動かしてみます。

int  a = 11;
int  b = 10;
int  c = 8;
int  d = 7;
int  e = 6;
int  f = 5;
int  g = 4;

int  leds[] = { a, b, c, d, e, f, g};
int  sel = 12;

int  ptrn[][7] = {
  {1,1,1,1,1,1,0},
  {0,1,1,0,0,0,0},
  {1,1,0,1,1,0,1},
  {1,1,1,1,0,0,1},
  {0,1,1,0,0,1,1},
  {1,0,1,1,0,1,1},
  {1,0,1,1,1,1,1},
  {1,1,1,0,0,0,0},
  {1,1,1,1,1,1,1},
  {1,1,1,0,0,1,1},
  {1,1,1,0,1,1,1},
  {0,0,1,1,1,1,1},
  {1,0,0,1,1,1,0}, 
  {0,1,1,1,1,0,1},
  {1,0,0,1,1,1,1},
  {1,0,0,0,1,1,1},
  {0,0,0,0,0,0,0}
};

void setup() {
  pinMode(sel, OUTPUT);
  pinMode(a, OUTPUT);
  pinMode(b, OUTPUT);
  pinMode(c, OUTPUT);
  pinMode(d, OUTPUT);
  pinMode(e, OUTPUT);
  pinMode(f, OUTPUT);
  pinMode(g, OUTPUT);

  digitalWrite(sel, HIGH); 
}

void loop() {
  for (int i = 0; i < 17; i++) {
    for (int j = 0; j < 7; j++) {
      digitalWrite(leds[j], ptrn[i][j]); 
    }
    delay(1000);
  }
}

上手くできていたら、以下の様に0〜Fと全て消灯を1秒間隔で切り替えて表示します。

7SegementLED_setting.png

コメント

選択肢 投票
おもしろかった 2  
そうでもない 1  
わかりずらい 0  

皆様のご意見、ご希望をお待ちしております。勉強会で分からなかったこと等、お気軽に問い合わせて下さい。

スパム防止に画像の文字列も入力してください。


(Input image string)

*1 CQ出版のhttp://www.cqpub.co.jp/hanbai/books/37/37271/37271_3syo.pdfの図3-1より引用

トップ   新規 一覧 単語検索 最終更新   ヘルプ   最終更新のRSS
SmartDoc