FrontPage

2013/02/16からのアクセス回数 5742

今日も大野さんの「アナログ・マイコン!?PSoCに目覚める本」の5章に挑戦します。

配線だけでポートをつなぐ

大野さんの本は分かりやすく、デジタルブロックの紹介もPSoC Designerを使ったポートの結線方法から始まっています。

大野さんの本の図5-2の回路をブレッドボードに作成しました。

fig5_2.png

PSoCのレジスタ番号とピンの関係をすぐ忘れてしますので、以下にPSoC1*1のピン配置を以下にメモしておきます。

pin_layout.png

ブレッドボードの配線は以下の様にしました。

B5_1.png

PSoCのデジタルブロック

PSoCのデジタルブロックの配線は、以下の様になります。

L5_1_Block.png

プログラムを書き込み動作確認

準備ができたので、プログラムをPSoC1に書き込み、動作を確認します。

プッシュボタンを押すとP0[0]がGNDレベルになり、その値がP2[0]につながっているので、 LEDが点灯します。

プッシュボタンを離すと10KΩの抵抗でプルアップされ、LEDは消灯します。

もう一つの結線(インターコネクト)

次の例題には、インターコネクトを使った結線方法が紹介されています。

GIE0をダブルクリックするとでてくる設定でInterconnectの欄にInputToOutputを指定すると、

GIE0_setting.png

以下のようにGIE0とGOE0が線で結ばれます。

L5_2_Block.png

デジタルバッファを使う

次に紹介されているのが、デジタルバッファを使った例です。

回路は、以下の様になります。

fig5_8.png

ブレッドボードの配線は以下の様にしました。

B5_3.png

デジタルブロックで、ユーザモジュール(Misc Digitalカテゴリ)からDigBufをダブルクリックで配置します。

DigBuf_1のパラメータは以下の様にします。

DigBuf_param.png

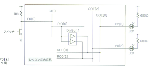
結線は、以下の様にします。

L5_3_Block.png

ユーザモジュールを使っているので、Start関数を呼ぶ必要があります。

main関数を以下の様にします。

void main(void)
{
	// M8C_EnableGInt ; // Uncomment this line to enable Global Interrupts
	// Insert your main routine code here.
	DigBuf_1_Start();
}

アナログからデジタルにつなぐ

これぞPSoCと思わせる例題がレッスン5_4の「アナログ・ブロックからディジタル・ブロックへ入力する」でした。

以下の様な回路をブレッドボードに組み立てます。

fig5_10.png

ブレッドボードは以下の様にしました。

B5_4.png

この例は、アナログの信号をCOMPモジュールを使ってAGNDと比較し、その結果をDigBufに出力するものです。 最初にDigBufを配置します。Output1をRIO[0]に出力し、GOE0と結線し、p2[0]に出力します。

L5_4D_Block.png

DigBufのパラメータ設定で、input1にComparatorBus_0をセットします。

L5_4_DigBuf_param.png

次にアナログブロックにコンパレータを配置します。 ユーザモジュールのAmplifier->COMPをダブルクリックCOMPZを選択し、一覧したのOKボタンを押します(画面が小さいとここが分かりにくい)。

COMPモジュールのinputという文字をダブルクリックすると、以下のinput選択画面がでますので、AnalogColumn_inputMUX_0を選択します。

comp_input.png

入力ポートには、P0[1]を選択します。

これで、ブロック図の設定は完了です。

main.cに以下の2行を追加します。

void main(void)
{
	// M8C_EnableGInt ; // Uncomment this line to enable Global Interrupts
	// Insert your main routine code here.
	DigBuf_1_Start();
	COMP_1_Start(COMP_1_HIGHPOWER);
}

プログラムを書き込んで実行すると、半固定抵抗を回していくとLEDが点灯することを確認できました。

こんなに簡単にアナログとデジタルを融合できるとはPSoCはすごいです!

コメント

選択肢 投票
おもしろかった 0  
そうでもない 1  
わかりずらい 0  

皆様のご意見、ご希望をお待ちしております。


(Input image string)

*1 CY8C29466-24PXI

トップ   新規 一覧 単語検索 最終更新   ヘルプ   最終更新のRSS
SmartDoc